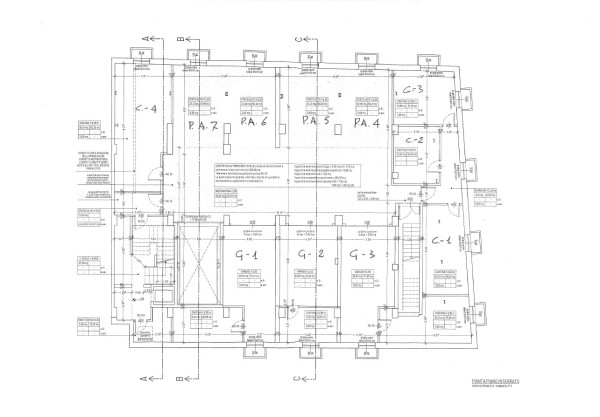
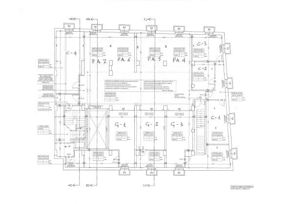
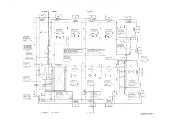
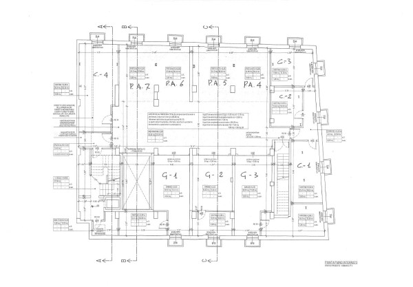
VICENZA: Via Btg Monte Berico, a due passi da Piazzale del Mutilato, proponiamo magazzini ad uso cantina. Sono ormai al termine i lavori di ristrutturazione per questo NUOVO GARAGE al piano interrato composto di soli 7 posti auto, tre garage e quattro posti auto (possibilità di installazione del basculante su richiesta) e 5 magazzini con superfice da 13mq a 35mq Le caratteristiche che contraddistinguono questa proposta rispetto ad altre disponibili sono: – AMPIE METRATURE dei magazzini – COMODA AREA DI MANOVRA – PIATTAFORMA AUTOMATIZZATA IDEALPARK che permette all’autista di rimanere a bordo durante la discesa del mezzo – POSSIBILITA’ DI ACQUISTO POSTO AUTO o GARAGE Il prezzo indicato si riferisce all’unità denominata C1 visibile in planimetria allegata al presente annuncio, per informazioni sui prezzi delle altre unità chiamate 0444.1584033/393.8386417 Se ritenete che la vostra motocicletta, la vostra bicicletta o qualsiasi altro oggetto di valore debba essere custodito all’interno di uno spazio adeguato, chiamate 0444.1584033/393.8386417